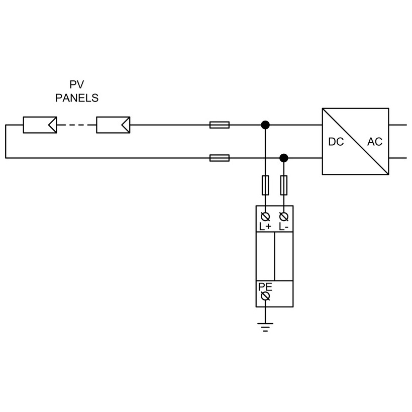
Tarkoitukseen rakennettu tasavirtasuojaus PV-taulukoille.
Tämän tyypin 2 ylijännitesäyttäjät suojaavat PV -merkkijonoja, vastojaksoja ja invertterituotteita salamatapahtumien tai kytkentätoimintojen aiheuttamista ohimenevistä ylijännitteistä. Ne takaavat sekä positiivisten että negatiivisten PV -väilypaikkojen potentiaalinen sitoutuminen ja auttavat ylläpitämään järjestelmän käyttöaikaa kaikilla salamansuojaustasoilla (LPL I - IV).
U- tai Y -yhteys - valitse mitä suunnittelusi tarvitsee.
U -yhteys: PV DC -piirien tavanomainen suojaustopologia.
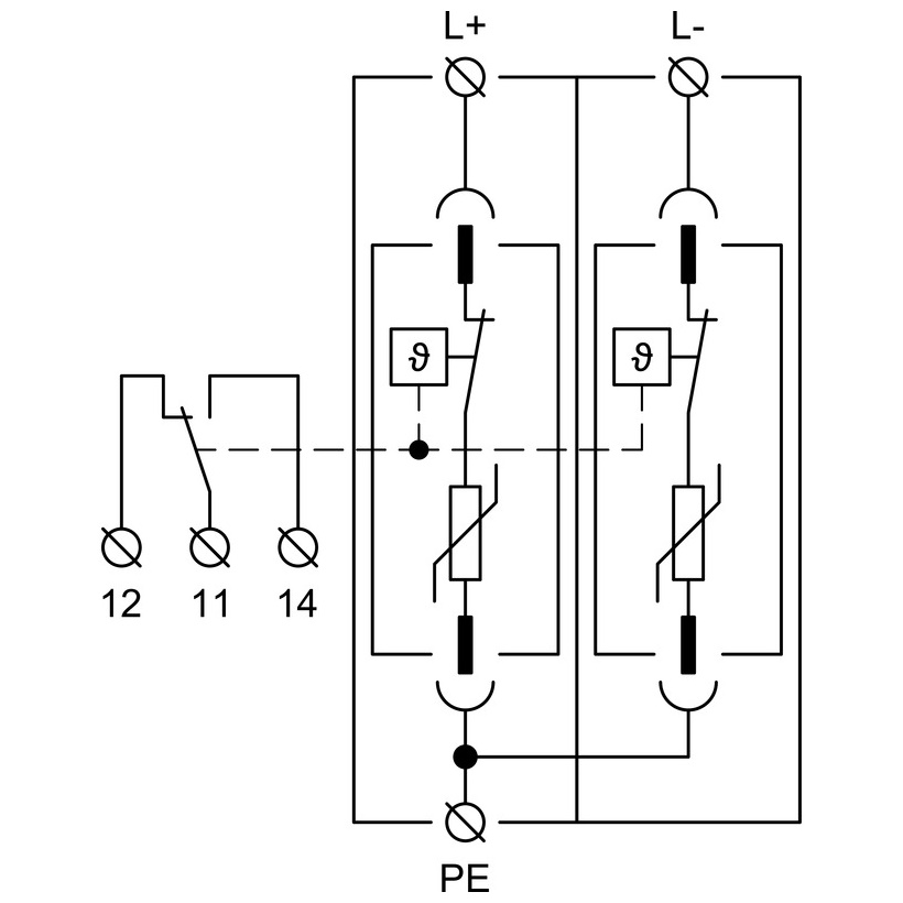
Y -yhteys: Varistorit, jotka on järjestetty PE: lle, niin työjohtimet pysyvät resistentteinä maapalloille ja PE
Sisäänrakennettu turvallisuus-varmuuskoulaa ei vaadita.
Erityiset varistorisektorit L+: n, L- ja PE: n välillä on kukin sisäisillä lämmön irrottajilla. Kun varistori saavuttaa elämän lopun (ylikuumenee), katkaisin matkustaa, mikä osoittaa näkyvästi vian ja keskeyttää tasavirtavirran. Erityisen rakentamisensa ansiosta nämä pidättäjät voidaan asentaa ilman erillistä varakuljetta (järjestelmän koordinaation mukaan).
Joustava käyttöönotto ulkoisten LP: ien kanssa tai ilman.
Asenna PV -järjestelmien tasavirtapuolelle joko ilman ulkoista salamasuojausjärjestelmää (LPS) tai LPS: llä, kun vaadittu erotusetäisyys “S” ylläpidetään. Tämä tukee turvallista integraatiota uusiin rakenteisiin ja jälkiasennuksiin.
Palvelu- ja valvontavaihtoehdot.
M-osoitus: Versio irrotettavalla (plug-in) -suojamoduulilla nopeaa vaihtoa varten.
S -osoitus: Versio etävalvontayhteydellä SCADA/PLC/hälytysreleille.
Tyypilliset sovellukset
PV-jouset, yhdistelmä-/yhdistelmälaatikot ja invertterin tasavirtatulot
Apuohjelma-, kaupallinen ja teollisuus- ja katto PV-installaatiot
Sivustoja, joissa on ulkoista LPS: ää tai ilman, kun erotusetäisyys “S” havaitaan
Keskeiset ominaisuudet yhdellä silmäyksellä
Tyyppi 2 Surge -Sarster PV DC -järjestelmille (U- tai Y -yhteys)
Y-yhteysetu: Maapallon kestävät työjohtimet ja nolla PE-vuodot
Sisäiset lämpöympäristöt varistorireiteillä (L+, L-, PE)
DC: n virran vian keskeytyminen; Varmuuskoulutusta ei vaadita
Sopii kaikille LPL -tasoille; tukee potentiaalista sitoutumista
M = irrotettava moduuli; S = etävalvontayhteys

